Dieter's
B13B Dekatron Spinner
last update (and
finished): March-24-2007
Back
to Dieter's Nixie Tube Page
Email
to Dieter
What is a Dekatron spinner?
A Dekatron spinner displays a spinning dot by using a vintage 'Dekatron' style
glow-transfer counting tube.
The colour of the dot depends to the gas the tube is filled.
Neon filled tubes display a red-orange dot.
Argon filled tubes display a purple dot.
The spinning frequency depends to the mains voltage the spinner is connected to
and to the counting steps of the Dekatron.
If the spinner is connected 50Hz and the Dekatron is a 10-way counter (like the
one here in this project) the dot spins with 5 turns per second.
If the spinner is connected to 60Hz the dot spins with 6 turns per second.
An animation of a Dekatron spinner:

You can find more information about Dekatrons
here on my Dekatron page.
The main idea of this project was to develope a simple Dekatron spinner for all
known Dekatrons with B13B base.
I took Mike Morrees 'universal Dekatron spinner schematic' and modified it to
this purpose.
This was Mike's schematic:

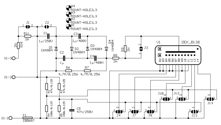
After my modifications I came to this one:

The circuit works with 230VAC/50-60Hz and 115VAC/50-60Hz.
All B13B Dekatrons I know will work in this circuit.
These are the following:
7978, 8262, 8353, 8433, CK7978, Z504S, Z505S, Z562S, Z564S, ZM1060, ZM1070.
Here you see the layout of the circuit:

Here you see some pictures of the spinner with a Z505S tube:


Here you see some pictures of the spinner with
a Z562S tube:


The spinner with
a Z504S (Mullard) tube:

With the 8353 (Sylvania):

The bottom side of the board:

The tube is mounted in pin receptacles, so it's no problem to
replace it:

The following pictures show the tube spinning.
Of course, only one of the cathodes is glowing, but the opening time of the
camera leads to that different pictures:
a middle opening time of the camera:

a short opening time of the camera:

a long opening time of the camera:

by night, with long opening time of the camera:

An animation of a spinning dekatron:

You can download the
connection-instructions here.
Attention!!!!
This circuit generates high voltage!!!
DANGER!!!!
Attention!!!! This circuit generates high
voltage!!! Do never touch the circuit while it is connected to the AC line.
Before you use the circuit mount it in a closed housing! I am not liable for any
damages caused to someone’s health.
Dekatron Spinners produce high voltages that can be fatal.
I disclaim any responsibility for injury as a result of using this circuit!!
All risks and damages, incidental or otherwise, arising from the use or misuse
of this circuit are entirely the responsibility of the user.
DANGER!!!! HIGH VOLTAGE
DEVICE!!!!!!
The author assumes no liability for
any incidental, consequential or other liability from the use of this
information. All risks and damages, incidental or otherwise, arising from the
use or misuse of the information contained herein are entirely the
responsibility of the user. Although careful precaution has been taken in the
preparation of this material, the author assume no responsibility for omissions
or errors.
This
Project is finished
Thanks for reading.
Back
to Dieter's Nixie Tube Page
eMail to Dieter
Impressum & Datenschutz